无线智能测速自行车锁的设计与实现
2019年06月05日 10:56         所属学院: []          点击:


附件5

湖南省大学生研究性学习和创新性实验计划

项  目  申  报 

 

项目名称: 

  • 如果您无法在线浏览此 PDF 文件,则可以

  • 下载免费小巧的 福昕(Foxit) PDF 阅读器,安装后即可在线浏览  或

  • 下载免费的 Adobe Reader PDF 阅读器,安装后即可在线浏览  或

  • 下载此 PDF 文件

学校名称

LETOU体育平台

学生姓名

学  号

专      业

性 别

入 学 年 份

李瀚淼

201623060423

计算机科学与技术

2016

周亮

201650080213

计算机科学与技术

2016

陈斌

201650080521

计算机科学与技术

2016

吴頔

201650080610

计算机科学与技术

2016

李江林

201650080615

计算机科学与技术

2016

指导教师

汤强

职称

讲师

项目所属

一级学科

计算机科学与技术

项目科类(理科/文科)

理科

学生曾经参与科研的情况

 

项目组成员李翰淼,周亮在2017年参与了“互联网+‘中共长沙党史’建设项目的开发”横向科研课题,主要参与了系统移动客户端的维护以及服务器的维护工作。

此外,项目成员以非核心成员参加过如下比赛和科技立项:

12017年全国大学生计算机设计大赛

22017年博创杯全国大学生嵌入式设计大赛

32017年第三届中国“互联网+”大学生创新创业大赛

4:“基于物联网的智能交通系统”科技立项(已结题)

 

指导教师承担科研课题情况

 

指导老师汤强承担科研课题及研究成果情况如下:

1)参与国家自然科学基金2项,获得省级科技进步奖2项,主持省教育厅项目1项,主持互联网+“长沙党史”建设项目1项。

2)主要科研成果有:在IEEE Internet of Things JournalIEEE出版社,中科院1区,2016影响因子7.596, Globecom 2017IEEE旗舰国际学术会议), Mobile Networks and ApplicationsSpringer出版社,中科院3区,2016影响因子3.5)等国内外期刊,会议发表论文10余篇。

3)学术交流经历:20169月到20176月在英国埃塞克斯大学(University of Essex)进行为期8个月的学术访问。

项目研究和实验的目的、内容和要解决的主要问题

 

项目研究和实验的目的:

自行车作为传统的交通工具,曾经一段时间随着摩托车,汽车的普及而逐渐淡出了人们的视线。但是,最近几年时间,随着健康理念逐渐深入人心,自行车不再单独具有通勤的功能,而且是越来越时尚的锻炼健身方式。据分析,骑自行车主要具有以下几点好处:(1)能预防大脑老化,提高神经系统的敏捷性。(2)能提高心肺功能,锻炼下肢肌力和增强全身耐力。(3)能减肥。骑自行车时,由于周期性的有氧运动,使锻炼者消耗较多的热量,可收到显著的减肥效果。

特别是2016年,共享单车的爆发式增长,让全国人民体验了骑自行车所带来的便利和健康。随着物联网技术和IT技术的快速发展,自行车的相关骑行装备特别是自行车锁逐渐实现了智能化和信息化。例如,摩拜和ofo小黄车的共享单车之所以能够正常地运营和管理,全部依靠其设计的智能化马蹄锁(自行车锁一般分为两种:链条锁,马蹄锁)。该马蹄锁集成了定位,报警,无线开锁等功能,可与管理后台实时通信。但是,该锁的功能设计仅停留在商业运营层面,以确保能够正常地管理自行车以及正确地收取用户骑行费用。对与运动健康相关的用户体验并没有给予太多考虑,仅有的考虑体现在客户端程序中的卡路里数据和基于GPS信号定位的里程数据。

因此,本项目拟对智能化马蹄锁进行相对全面的设计与实现,将实时测速功能,里程计数,无线远程开锁,GPS定位,防盗报警等功能进行综合集成,实现自行车锁的智能化管理,最终以实现无线智能测速自行车马蹄锁原型以及开发完成相关的手机客户端和服务管理后台系统为项目研究的主要目的。

项目研究的内容:

本项目设计的无线智能测速自行车马蹄锁及其相关的手机客户端和后台管理系统的主要功能如下:

1)无线锁车,开锁功能,远程锁车开锁功能,配备无线遥控钥匙;

2)集成自行车测速功能,自行车里程统计功能,配备码表显示盘;

3)集成防盗报警功能,GPS追踪定位功能;

4)集成低功耗蓝牙数据无线传输接口,可实时传送数据到附近的手机客户端和码表显示盘;

5)手机客户端可传输接收的数据给远程服务器,也可与周围的多个手机客户端建立骑行数据共享,方便团体骑行;也可通过手机客户端进行锁车,开锁,解除报警等操作;

6)后台集成数据分析管理功能,统计各种自行车里程指标,速度指标,位置数据,报警数据等。

项目拟要解决的主要问题:

1)解决了用户开锁方式多样化的问题,防止开锁方式单一化:有以下途径可以开锁:服务器远程开锁,手机客户端开锁,无线遥控钥匙开锁。

2)解决了还需要单独安装测速器的问题:测速元件与智能化马蹄锁集成,安装了马蹄锁即安装了测速元件。码表显示盘安装简单方便。码表显示盘与马蹄锁之间无线通信。

3)解决了用户如何实时知道运动消耗数据的问题:利用低功耗蓝牙模块实时传输数据到手机客户端和卡路里数据便携式码表,用户实时动态知道自己骑行活动耗了多少热量,有利于提高用户的骑行体验获得感。

4)解决了防盗问题以及被盗后如何追踪自行车下落的问题:集成的防盗报警功能以及GPS追踪定位功能可以降低自行车的被盗概率,同时可以实时追踪自行车的方位,有助于寻找被盗自行车。

5)解决了多个用户组团骑行问题:通过手机客户端,可实现多人组团骑行,选出领队带领往前面骑行,以标识出每个队员应该骑行的路径方向。同时,可观察后面骑行队员的距离,速度等指标,以协调团队的骑行节奏。

6)通过利用手机客户端传输相关数据给后台系统,利用GPS系统将定位数据传输给后台系统等多途径,解决了骑行数据搜集问题,为后期进行数据统计分析,甚至进行大数据分析,提供了基础数据源。

国内外研究现状和发展动态

 

目前,自行车锁在国内外市场上种类非常多,特别是在我国,由于自行车数量庞大,且国人热爱骑自行车,因此,随着物联网技术发展和IT技术进步,智能化的自行车锁逐渐流行起来。国内外智能化自行车锁主要分为以下几大类:

1)集成报警功能的自行车锁

这类锁常见的有碟刹锁,碟刹锁以锁住摩托车和自行车的碟刹盘以卡住车轮旋转的方式实现锁车。如图1所示。

 

(a)锁车方式                  (b)样式

图1 集成报警功能的碟刹锁

碟刹锁以钥匙开锁方式居多,部分碟刹锁集成了报警功能,当不法分子碰触或故意破坏碟刹锁时,自动发出报警响声,以警示不法分子。常见的品牌有:INBIKE电动车自行车碟刹锁,台湾真图碟刹锁。除了报警功能外,碟刹锁集成的其它智能化功能很少。

除了碟刹锁,还可见报警功能于链条锁和U型锁,比如DF智能山地车报警锁属于U型锁,该锁在锁柱内部集成了报警器,利用手动开关控制该报警器是否工作,如图2(a)所示。链条锁的报警功能也集成在锁头,比如飞驰自行车链条锁,在锁头集成了锁芯,可更换的纽扣电池槽,报警控制旋钮等组件,以控制链条锁的工作状态,如图2(b)所示。

  

(a)U型锁报警器             (b)链条锁报警器

图2 U型锁和链条锁报警装置

除了以上三种锁集成了报警功能外,还有一些锁也集成了报警功能,但是它们集成的功能要更加丰富,将在后面逐渐提到。

2)无线开锁功能的自行车锁

仅集成了无线开锁功能与报警功能的自行车锁以链条锁或钢圈锁类型居多。Nokelock智能钢圈锁集成了蓝牙开锁功能,通过手机客户端注册并绑定包装盒内二维码的方式,指定该锁被特定用户使用,然后通过扫码或者手机客户端的开锁功能,实现无线开锁,但是该锁没有集成报警功能。该锁如图3(a)所示。

Solebe锁乐贝钢圈锁和链条锁两个类型均集成了手机客户端无线蓝牙开锁功能,此外还集成了防盗报警功能。该锁无需机械钥匙,按上锁键等待几秒可自动上锁。手机客户端可实现蓝牙无线解锁功能,报警系统可感应震动,剪断,拧扯等动作并进行报警。手机客户端可解除报警。该锁如图3(b)所示。

    

(a) Nokelock智能钢圈锁           (b) Solebe锁乐贝

图3 无线开锁功能的自行车锁

无线开锁功能已经初步实现了智能化车锁,但是由于智能化手段比较单一,除了开锁就是报警,因此,需要进一步丰富车锁所集成的功能,以给用户提供更多的智能化体验。

3)智能化多功能自行车锁

智能化多功能自行车锁以马蹄锁最为常见,集成的功能一般有:GPS定位,安卓客户端无线开锁,防盗报警,扫码开锁等。比如,Nokelock智能马蹄锁可以发出蜂鸣报警,可通过手机APP实现蓝牙和远程双保险开锁,可以回传自行车位置信息,方便定位自行车位置。此外,在手机APP端,可以授权哪些好友可以打开该马蹄锁,可以显示马蹄锁当前的实时电量,方便更换电池或充电。该锁图片如图4(a)所示。

  

(a) Nokelock马蹄锁          (b) ZT马蹄锁          (c) 泺平马蹄锁

图4 智能化马蹄锁

除了Nokelock马蹄锁外,还有ZT马蹄锁(如图4(b)所示),该锁集成了手机APP无线蓝牙开锁,一人控制多个锁,授权好友开锁等功能。具有类似功能的还有泺平智能化马蹄锁(如图4(c)所示)。

除了上述三种马蹄锁以外,目前国内广泛流行的共享单车均大量采用马蹄锁,以最著名的摩拜和ofo小黄车为例,摩拜单车的自行车锁包括了远程开锁和定位系统,实现这个功能的则是车锁内的嵌入式芯片、GPS以及SIM模块。当用户通过手机APP扫一下单车上的二维码,手机即向服务器发送指令并申请开锁,服务器收到指令后与相应的车辆进行通信和验证,发送开锁指令,单车内置模块收到指令后进行开锁,这就是远程开锁的工作原理。至于定位系统,则是智能锁里面安装了GPS模块,当我们需要用车时,打开APP,系统会自动定位,地图上就会出现附近的单车,点击想要的单车,系统还会自动地规划出最佳的路径。更人性化的是,为了提前安排好出行,摩拜单车还有预约的功能,点击“预约用车”,在APP上就会出现预约的车辆编码及保留时间,保留时间为15分钟,在靠近单车时点击“寻车铃”,便会有响声,引导你找到已经预约的单车。这样一套智能的定位解锁程序,是摩拜单车最突出的亮点和核心技术。

相比于摩拜单车的智能锁,ofo单车的机械锁相对就简单一点,同样是从APP里面来开锁,但是ofo是需要你输入想要租借的车辆的车牌号后,后台系统发给你该车的密码,然后你拨动锁上面的密码键,按下圆形的按钮,即可成功开锁。除此之外,ofo的单车还需要手动锁车,当用完车辆时,必须锁车并再次拨动密码盘将其打乱,否则下个骑行人就不用输密码了。对比与摩拜单车的智能锁,ofo的机械锁的工作原理会简单很多,单车也并未与服务器和手机取得智能的联系,造成无法查找定位,但是这种锁的成本会比摩拜单车的智能锁低很多。

虽然上述智能化马蹄锁集成了较多的功能,但是仍然有一些功能需要集成,比如与用户运动相关的功能,因为目前民众选择自行车出行更多的考虑是如何得到健康的身体,具体到量化指标就是消耗量多少热量,自行车速度多少,里程多少等等,通过实时数据来提高用户骑行过程中的体验感。而实现该体验最直接的设备就是码表。

码表一般用于自行车行驶速度的测量,大多数码表是由安装于前车圈钢条上的感应磁铁、前叉上的感应器、顺着连接线、置于握把上面的码表座和座上面的码表组成。码表的工作原理是:车圈旋转时感应器捕捉到感应磁铁带来的信息,通过传感线传输至码表,主机码表对此进行处理后计算出时速、里程等信息。随着无线传输技术的发展,码表必然也将实现无线传输,减少安装工作量。

本项目在综合考虑当前智能化马蹄锁的发展现状的基础上,结合码表的特点,提出将智能化马蹄锁集成码表测速功能的设计方案,将码表的测速元件集成到马蹄锁内,通过蓝牙模块将速度,里程等数据传输到码表显示盘。骑行数据还可传输到手机客户端以及远程服务器端,在手机端可实现数据共享,组建多人骑行模式,在服务器端可对数据进行后期分析管理。自行车数据,比如位置,报警等信息可实时传输到手机客户端和服务器端。总之,本项目所设计和实现的智能化马蹄锁以集成用户运动体验功能为主要目标,同时采用多种手段实现开锁,数据采集和管理,报警等功能。

 

本项目学生有关的研究积累和已取得的成绩

 

课题组成员长期学习单片机技术和编程开发,已经熟练掌握了C,C++,汇编,单片机等开发语言和技术。小组成员之间长期合作,目前为止已经参加了科技立项和实际项目开发,并参与过相关竞赛活动,详细如下:

1:参与过1项学校的科技立项,主要从事单片机方面的程序设计任务,目前已顺利结题。

2:参与过“互联网+‘中共长沙党史’建设项目开发”,主要参与手机客户端相关的技术开发任务。为本项目的手机客户端以及后台开发提供了较好的技术储备。

3:已经研究和掌握了智能马蹄锁的工作原理,提出了初步的设计思路。

4:已经掌握了码表的工作原理,掌握了如何将测速元件与单片机电路集成。

5:掌握了低功耗无线蓝牙数据传输模块的工作原理,掌握了如何在单片机外围电路上集成蓝牙模块。

6:掌握GPS模块的工作原理,设计了如何传送GPS数据到服务器和手机APP端的初步方案。

7:熟悉手机APP软件开发,熟悉后台服务器管理程序开发。

8:熟悉了无线遥控钥匙的工作原理。

9:熟悉了码表数据无线传输到码表盘的工作原理。

10:其它相关技术和模块的学习正在有序进行中。比如,团队已经购买2本《Altium Designer 16电路设计与仿真从入门到精通》,为电路板的综合设计提前打好基础。

项目的创新点和特色

 

本项目以设计和实现无线智能测速自行车马蹄锁为主要目标,同时完成手机客户端和服务器后台管理系统的开发,项目的创新和特色主要有:

1:将自行车马蹄锁与无线测速功能相结合,将测速元件集成到车锁。测速的数据以无线方式传输到码表盘显示;

2:车锁集成了无线遥控钥匙开锁,手机客户端开锁等多种开锁方式;

3:车锁手机客户端集成了组团骑行功能,共享队员之间的骑行数据,方便管理所有骑行队员的状态,适合于团队出行;

4:提供报警和GPS定位功能,可有效降低自行车的被盗概率以及提高被盗自行车的找回概率;

5:智能马蹄锁的所有非GPS数据以蓝牙方式传输到手机客户端,并借助手机客户端将数据传输给远程服务器存储。在马蹄锁----手机客户端----远程服务器三者间建立起一条数据链。

 

项目的技术路线及预期成果

一:技术路线

针对核心部件的开发,拟从如下几个方面介绍课题实施过程中需要解决的一系列问题时可能采用的技术措施。

第一步:设计智能自行车锁

智能马蹄锁已经在共享单车行业得到了广泛应用,比如摩拜,ofo等,其工作原理可参考图5。

 

5 智能车锁内部结构

1)锁定状态

锁定状态下,弹簧1处于放松状态,卡栓顶在锁舌的卡口中,锁舌不能移动。锁舌穿过自行车轮,车轮被锁定。马达模块处于关闭状态。弹簧2处于压缩状态,顶着卡栓不动。卡栓松动话,手工就能把锁拉开了。

2)开锁过程

按智能钥匙开锁功能后,可以给共享单车下解锁指令。首先,马达开始工作,通过齿轮构成的传动装置,把卡栓往上拉,拉离那个卡口。同时卡栓压缩了弹簧2。锁舌的卡口上,没有了卡栓的阻拦,弹簧1对锁舌的拉力,会把锁舌快速拉回来。嗖的一声,锁舌就从自行车轮中缩回到车锁内部了,解锁成功。锁舌上的卡口的位置移动到别的地方,卡栓不能影响锁舌。卡栓一端被弹簧2顶着,另一端被锁舌顶着。马达不需要去控制卡栓了,马达关闭。

3)上锁过程

    手工用力拉动锁舌,这个时候弹簧1被拉伸。锁舌穿过自行车轮,进入锁定位置后,锁舌上的卡口刚好对着卡栓。通过手工给弹簧1蓄能了,这个机械能,在下一次解锁的时候用。

在马蹄锁的开锁和上锁过程中,最核心的原件是电机部件,如何控制单片机发送指令,驱动电机正向和逆向旋转是整个锁正常工作的核心。经过上图的过程开锁,解锁过程,可知智能车锁的设计已经具备成熟的机械结构,可供本课题参考。

第二步:在马蹄锁上集成测速元件功能

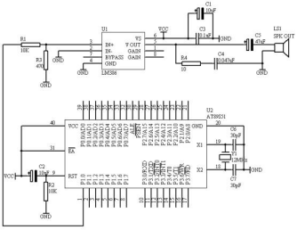
测速元件以51单片机为处理核心,用传感器将车轮的转数转换为电脉冲,进行处理后送入单片机。里程及速度的测量,是经过 MCS-51的定时/计数器测出总的脉冲数和每转一圈的时间,再经过单片机的计算得出。

6 某某共享单车智能车锁内部结构图

由于在自行车锁上需要安装单片机,如图6某共享单车智能车锁所示。可以将测速元件的单片机与智能车锁单片机共用。测速的基本原理如下:

假定轮圈的周长为 L,在轮圈上安装 m个永久磁铁,则测得的里程值最大误差为 L/m。经综合分析,本设计中取 m=1。当轮子每转一圈,通过开关型霍尔元件传感器采集到一个脉冲信号,并从引脚 P3.2 中断 0端输入,传感器每获取一个脉冲信号即对系统提供一次计数中断。 每次中断代表车轮转动一圈,中断数 n轮圈的周长为 L的乘积为里程值。计数器 T1计算每转一圈所用的时间 t,就可以计算出即时速度 v。当里程键按下时,里程指示灯亮,LED切换显示当前里程,与当速度键按下时,速度指示灯亮, LED切换显示当前速度。

第三步:外围电路集成低功耗蓝牙和GPS等通信模块

低功耗蓝牙模块如TELESKY HC-05或者Risym HC-05等产品已经被广泛使用,且已经有很多案例提供了相关的集成方案。在软件方面,手机蓝牙模块可通过客户端配置调用后,与车锁蓝牙建立配对连接;码表盘的蓝牙接收端可与车锁蓝牙同样建立配对连接,实现速度和里程等数据的接收。因此,基于低功耗蓝牙模块的应用比较成熟,本课题可以比较顺利完成蓝牙模块的集成功能。

GPS模块如NEO-6M UBLOX 卫星定位模块价格便宜,且容易与C51单片机集成,具有成熟的测试软件和开发套件。GPS数据将通过GPRS无线数据网络将GPS数据传输到服务器后台系统。GPRS需要配备SIM卡,但是由于数据量很小,因此几乎不会产生额外的开销。因此,GPS模块的集成也将如蓝牙模块一样顺利完成。

第四步:集成遥控钥匙和报警功能

报警功能可以采用震动传感器,通过单片机接收震动信号,然后启动报警动作。当取消报警的时候,可以用遥控钥匙按下解除报警的按钮。报警电路设计可参考下图7。该图用于产生连续的方波信号并输出到扬声器,给人听到以连续的鸣笛声。

7 报警信号发生电路

遥控钥匙主要用于近距离控制自行车开锁,锁车的功能,此外还可以取消意外报警。遥控钥匙本质上是基于单片机的红外遥控器。

红外传输利用载波对信号进行调制从而减少信号传输过程中的光波干扰,提高数据传输效率。由单片机定时器T0产生周期性的矩形脉冲,即每隔一段时间,定时器T0产生中断输出一个相反的信号使输出端产生周期38KHz脉冲信号。再由单片机将键盘信息及系统识别码等数据调制在红外载波上经红外发射头发射出去。接收方由红外一体化接收头实现对接收信号的放大解调并还原为数据流,经由单片机解码后对相关IO口进行操作。遥控钥匙工作原理如图8所示。

 

8 遥控钥匙工作原理框图

第五步:开发手机APP和服务器端程序

手机APP端程序主要接收数据和发送指令给车锁。手机APP的功能主要有:查看里程数据,查看速度数据,骑行数据共享,骑行组队,历史骑行数据统计,卡路里消耗,自行车解锁,自行车加锁,自行车定位,报警提示等操作。

服务器端程序功能主要有:接收自行车的骑行数据,报警数据,定位数据等,历史数据统计分析等功能。

第六步:系统测试

通过将自行车锁安装到实际单车上,进行实测分析,验证智能车锁的各种功能是否完整,性能指标情况如何等。通过长期测试,验证该车锁正常工作环境。通过测试结果,进一步提出改进措施,以期设计出一款可以推向市场的智能车锁产品。

二:预期成果

本课题的预期成果如下:

1:设计并实现智能自行车锁原型以及安卓客户端和服务器系统

2:申请专利1项,申请软件著作权1项

3:参加省级及以上比赛并获得奖励1项

年度目标和工作内容(分年度写)

 

2018年-2019年

1:学习相关技术基础,熟悉各种模块工作原理

2:研究并设计智能马蹄锁及其内部控制电路

3:集成测速功能和报警功能

4:集成低功耗蓝牙模块和GPS模块,实现与APP和服务器通信

5:设计总体电路结构

6:开发手机客户端和服务器后台系统

2019年-2020年

1:完善手机客户端和服务器后台系统

2:实现遥控钥匙:集成无线开锁,解除报警,启动报警功能

3:测试系统并持续改进

4:申报专利和软件著作权,参加比赛

5:撰写项目总结材料

指导教师意见

 

本项目拟设计并实现一款智能化无线智能测速自行车马蹄锁,该锁集成了多项功能,比如报警,霍尔元件测速,无线码表盘显示,蓝牙通信,GPS定位和数据传输,手机客户端控制和管理功能,遥控钥匙,服务器后台管理系统等。

学生团队项目经验比较丰富,有过比赛和参加实际项目的经验,且项目前期积累比较丰富,有利于顺利完成本课题的开发。因此,推荐本创新实验项目立项。

 

 

签字:                   日期:

 

 

注:本表栏空不够可另附纸张